Ev / 页面
Peflon'un Yüksek Performanslı ePTFE Ürünleri
- Eşsiz kimyasal ve termal direnç.
- Kritik parçalar için tutarlı, yüksek kaliteli malzeme.
- Benzersiz projeniz için özel ePTFE çözümleri.
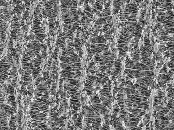
Peflon ePTFE Nedir?
Peflon ePTFE genişletildi politetrafloroetilen, gözenekli bir mikro yapı oluşturmak için PTFE'nin gerilmesiyle üretilir. Yumuşak, esnek ve çok güçlüdür. Isıya ve kimyasallara dayanıklıdır ve vücut için güvenlidir, bu nedenle greft, ağ ve tüp gibi tıbbi implantlarda kullanılır. Ayrıca elektronik, kimyasal ve gıda filtrelerinde, havalandırma deliklerinde ve contalarında da kullanılır. Eldiven yapımında su geçirmez ancak nefes alabilen kumaşlar için ePTFE kullanılır. Özel yapısı havanın geçmesine izin verir, sıvıyı engeller, kiri dışarıda tutar ve dayanıklıdır.
Peflon EPTFE Ürünlerinin Özellikleri ve Faydaları
- Olağanüstü Kimyasal Eylemsizlik: Hemen hemen tüm aşındırıcı kimyasallara, asitlere ve çözücülere karşı dayanıklıdır.
- Geniş Sıcaklık Aralığı: -200∘C ile +260∘C arasında aşırı soğuk ve sıcakta güvenilir performans gösterir.
- Yüksek Gözeneklilik ve Dayanıklılık: Mikro gözenekli yapı, fiziksel bütünlüğü korurken yüksek filtrasyon verimliliği sağlar.
- Biyouyumluluk: Reaktif olmayan yapısı nedeniyle tıbbi implant ve cihazlarda kullanımı onaylanmıştır.
- Düşük Sürtünmeli Yüzey: Mekanik uygulamalarda aşınma ve yıpranmayı azaltır.
Peflon ePTFE Ürün Kategorileri
Peflon, her biri belirli uygulamalar ve performans ihtiyaçları için tasarlanmış, geniş bir genişletilmiş PTFE ürün yelpazesi sunar. Kategorilerimiz, ister üstün sızdırmazlık, ister gelişmiş filtrasyon veya biyouyumlu malzemelere ihtiyacınız olsun, projeniz için ideal çözümü hızla bulmanıza yardımcı olmak üzere tasarlanmıştır.
EPTFE Çeşitleri
ePTFE Levha Contaları
Peflon ePTFE levha contalar Büyük veya karmaşık flanş uygulamaları için idealdir. Üstün kimyasal ve sıcaklık direncine sahip olacak şekilde tasarlanmıştır.
ePTFE Derz Dolgu Macunu
Ortak çalışmamız sızdırmazlık maddesi is a flexible, form-in-place gasket material that eliminates the need for pre-cut gaskets. It's easy to install and highly resistant to creep and cold flow.
Mikro gözenekli ePTFE Membranlar
Hava ve sıvı filtrasyonunda kullanılan bu zarlar Mükemmel partikül tutma özelliğine sahip yüksek akış hızları sunarlar. Havalandırma ve filtre kartuşlarının temel bileşenlerindendirler.
İnce Duvarlı ePTFE Boru
Bu boru Saflığın ve kimyasal ataletin kritik öneme sahip olduğu tıbbi cihaz üretimi ve sıvı transfer sistemleri için mükemmeldir.
Neden ePTFE Tedarikçiniz Olarak Peflon'u Seçmelisiniz?
https://youtu.be/Lm2sMG_VUKs
Advantages of Peflon's ePTFE production:
Peflon, son teknoloji ePTFE üretim teknolojisine büyük yatırımlar yapmıştır. Verimlilik ve kalite için optimize edilmiş üretim hattımız, rekabetçi teslim süreleriyle güvenilir ürünler sunmamızı sağlar. Hammaddeden bitmiş ürüne kadar tüm üretim sürecini kontrol ederek, izlenebilirliği ve sürekli yüksek kaliteli nihai malzemeyi garanti altına alıyoruz.
Eşsiz Ürün Tutarlılığını Garanti Ediyoruz
- Titiz testler, her Peflon ePTFE partisinin kesin spesifikasyonları karşılamasını sağlar.
- ISO sertifikalı tesisimiz, proses kontrolünü ve tutarlı çıktıyı garanti eder.
- Her ürünümüz için detaylı teknik veri sayfaları sunarak tam şeffaflık sağlıyoruz.
Esnek Özel ePTFE Çözümleri Sunuyoruz
- Özel uygulamalar için özel ölçüler ve kalınlıklar mevcuttur.
- Yeni malzeme formülasyonları üzerinde işbirliğine hazır şirket içi Ar-Ge ekibimiz.
- Prototipleme ve küçük ölçekli üretimler için düşük minimum sipariş miktarları.
Uzman Teknik Destek Sağlıyoruz
- Malzeme ve uygulama sorularınızı yanıtlamak için özel teknik destek ekibimiz.
- Teklif ve numune taleplerinizde hızlı yanıt süreleri.
- Başarınıza odaklı uzun vadeli ortaklık yaklaşımı.
İlgili Peflon ePTFE Ürünleri
We understand that your projects may require a range of high-performance materials. If our ePTFE products don't meet your exact needs, Peflon offers a full line of related fluoropolymer and sealing materials. These products are manufactured to the same high standards and are ready to tackle your most demanding applications.
PTFE
FEP
PFA
ePTFE Hakkında Sıkça Sorulan Sorular
Şimdi Soruşturma Gönder
ePTFE'yi normal PTFE'den farklı kılan nedir?
Sed ea delectus senserit forensibus, viscant eirmod eripuit id. Altera deseruisse voluptatum id est, eu consul discere commentaris başka yerde sınıflandırılmamış. Her biri için, her biri aynı sıvıyla birlikte.
Is Peflon's ePTFE biocompatible for medical use?
Evet, ePTFE ürünlerimiz sıkı standartlara uygun olarak üretilir ve birçok tıbbi uygulama için uygundur. Projenizin özel ihtiyaçlarını karşılamak için detaylı bilgi ve sertifikalar sağlayabiliriz.
ePTFE membranların başlıca uygulamaları nelerdir?
ePTFE membranlar öncelikle yüksek verimli filtrasyonda kullanılır. Hava, su ve kimyasallar için filtre kartuşlarının yanı sıra koruyucu muhafazaların havalandırma deliklerinde de temel bileşenlerdir.
Peflon projem için özel ePTFE contalar sağlayabilir mi?
Kesinlikle. Mühendislik ekibimiz, benzersiz levha boyutlarından karmaşık conta tasarımlarına kadar özel ePTFE çözümleri oluşturma konusunda uzmanlaşmıştır. Teknik özelliklerinizi bizimle paylaşmanız yeterli.
ePTFE yüksek sıcaklık ortamlarında nasıl performans gösterir?
ePTFE, -200°C ile +260°C arasındaki geniş bir sıcaklık aralığında fiziksel ve elektriksel özelliklerini korur. Bu da onu yüksek sıcaklıklarda sızdırmazlık ve yalıtım için tercih edilen bir malzeme haline getirir.
ePTFE filtrasyonu için Peflon Desteği

Sıkıştırma Kalıplama Nedir?
Sıkıştırma kalıplama, dayanıklı ve karmaşık... oluşturmak için uygun maliyetli bir yöntemdir.Devamını oku

teflon bant ne için kullanılır
Teflon bant, tesisatçı bandı veya PTFE bant olarak da bilinir,...Devamını oku

PEEK Plastik Neden Bu Kadar Pahalı?
PEEK plastiğinin yüksek maliyeti karmaşık sentezinden kaynaklanmaktadır ve...Devamını oku

Teflon Bulaşık Makinesinde Daha Fazla Pullanır Mı?
Teflon Tavalar İçin Nazik Temizlik Teflon kaplı tavalar zamanla bozulabilir.Devamını oku
Bize Ulaşın
Üretici veya distribütör olmanız fark etmeksizin, Peflon ePTFE ürünlerinin Ücretsiz numunesi veya çözümü için bizimle iletişime geçin43Peflon tek noktadan teknik çözüm sunar.
-
Kecheng, Quzhou, Zhejiang, Çin -
+86 13957007557 -
bilgi@peflon.com